История восстановления Победы М-20 1952г. и ИЖ-49 1954г.

Сколько стоило восстановить эту Победу (с учётом покупки). Какая была- в первом сообщении и теперь!

  • Затраты менее 500 тыс.руб.

  • Затраты 0,5 - 1 млн.руб.

  • Затраты 1 - 1,3 млн.руб.

  • Затраты 1,3 - 1,6 млн.руб.

  • Затраты более 1,6 - 2 млн.руб.

  • Более 2 млн.руб.


Результаты видны после голосования.

Холоднов

Пользователь
10 лет на форуме
Регистрация
17.01.2016
Сообщения
2 971
Оценка реакций
5 636
Возраст
52
Город
Р.Т., г. Казань

БЕГИмот

Пользователь
Топикстартер
5 лет на форуме
Регистрация
08.02.2017
Сообщения
3 650
Оценка реакций
6 042
Возраст
49
Город
Красноярск, ул. Конституции СССР
Да, нашёл в ретрозаказе. Есть по 100 руб. На выбор ПР2-Б (№ детали 12-3722220) или ПР 310. Написано, что может заменить первый.
Всё проспал после праведного дня!!
Уже почти на всё ответили!
У меня выключатель света и приборки очень очень плотно садились... покачиванием. Обошлось без подпиливания
А ты ещё не в то отверстие вставлял!
 
  • Спасибо
Реакции: Холоднов

БЕГИмот

Пользователь
Топикстартер
5 лет на форуме
Регистрация
08.02.2017
Сообщения
3 650
Оценка реакций
6 042
Возраст
49
Город
Красноярск, ул. Конституции СССР
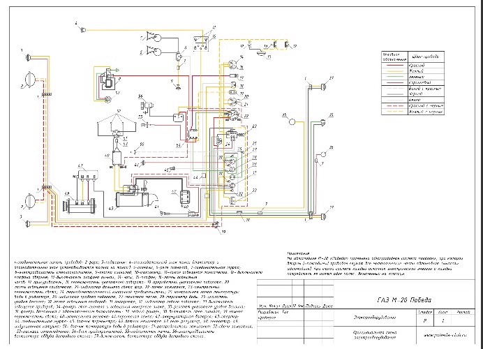
Спасибо Большое! Теперь всё ясно, где его делать. И попутно буду искать предохранитель. Даже не знал, что такой есть под приборкой))), и в каталоге чего-то не увидел его)))
Вот!! Позиция 24 в схеме

F7D2CCA5-CA2F-4FEC-A7A6-0D6E3C96C985.jpeg

EDFC85AF-460B-4172-B8D7-E85C0010ACC1.jpeg
 
  • Спасибо
Реакции: Холоднов

Холоднов

Пользователь
10 лет на форуме
Регистрация
17.01.2016
Сообщения
2 971
Оценка реакций
5 636
Возраст
52
Город
Р.Т., г. Казань

БЕГИмот

Пользователь
Топикстартер
5 лет на форуме
Регистрация
08.02.2017
Сообщения
3 650
Оценка реакций
6 042
Возраст
49
Город
Красноярск, ул. Конституции СССР
Установил и подключил часы, иконостас и эмблему!
Красота!!

DD52463E-DA88-4A8F-A797-8C0C0A0838FC.jpeg



14D4065A-45B5-4C99-9446-BDC74F63315F.jpeg
 
Последнее редактирование:

БЕГИмот

Пользователь
Топикстартер
5 лет на форуме
Регистрация
08.02.2017
Сообщения
3 650
Оценка реакций
6 042
Возраст
49
Город
Красноярск, ул. Конституции СССР
Один шаг вперёд и два назад ;(
.... решил разобраться с неработающим датчиком температуры двигателя на ГБЦ и ..... убил прибор по температуре двигателя на приборке.!!
Мои рукожопки его не правильно подключили... запитав питание других приборов (уровня и давления) со стороны датчика ГБЦ. И последнее, что увидел прибор - это когда я подключил датчик и подогрел его газовой горелкой!!
Температура на приборе стала расти, но моя радость была не долгой, температура зашкалила и так застыла....
Похоже для этого прибора навсегда!
Вот о чем думал!!???
 

БЕГИмот

Пользователь
Топикстартер
5 лет на форуме
Регистрация
08.02.2017
Сообщения
3 650
Оценка реакций
6 042
Возраст
49
Город
Красноярск, ул. Конституции СССР
Это ещё до моего убийства прибора по температуре.... показывал на минимуме, хотя двигатель прогрет был... вот я его и решил подключить к другому датчику, а датчик горелкой газовой подогреть ;(

Ещё успел разобраться с причиной отсутствием заряда АКБ от генератора, подключил генератор помимо релерегулятора - заряд появился:

61CB59E9-045E-49D8-8478-F4A279AA813E.jpeg
 

Pika

Пользователь
10 лет на форуме
Регистрация
02.03.2012
Сообщения
4 295
Оценка реакций
6 105
Город
ХМАО Югра - Омск
Дым и искры были?
 

БЕГИмот

Пользователь
Топикстартер
5 лет на форуме
Регистрация
08.02.2017
Сообщения
3 650
Оценка реакций
6 042
Возраст
49
Город
Красноярск, ул. Конституции СССР
Какие основные дефекты релерегулятора РР24-Г2? копать в нём неисправность по этой инструкции, а ремонт возможен или только новый?
 

Вложения

Последнее редактирование:

БЕГИмот

Пользователь
Топикстартер
5 лет на форуме
Регистрация
08.02.2017
Сообщения
3 650
Оценка реакций
6 042
Возраст
49
Город
Красноярск, ул. Конституции СССР
Дым и искры были?
Нет.... тихо и мирно умер.... я даже не сразу заметал, что все приборы на ноль упали . Предохранитель остался целый., видно сам прибор как предохранитель сработал....
Позвонил Михаилу SMV... он как мог успокоил :) и посоветовал сопротивление прибора померить. Завтра разбор полётов...
 

СЭМ

Пользователь
10 лет на форуме
Регистрация
12.01.2015
Сообщения
4 648
Оценка реакций
8 417
Город
Выборг
Я смутно помню и могу сильно ошибаться но . Разве прибор температуры не показывает максимум и только при включении зажигания потихоньку ползёт к 0 ?
 
  • Спасибо
Реакции: Pika

pobedovod

Пользователь
Авторитет
Регистрация
23.12.2007
Сообщения
9 380
Оценка реакций
30 929
Город
Болгария
Я смутно помню и могу сильно ошибаться но . Разве прибор температуры не показывает максимум и только при включении зажигания потихоньку ползёт к 0 ?
Так оно и есть.
 

pobedovod

Пользователь
Авторитет
Регистрация
23.12.2007
Сообщения
9 380
Оценка реакций
30 929
Город
Болгария
Какие основные дефекты релерегулятора РР24-Г2? копать в нём неисправность по этой инструкции, а ремонт возможен или только новый?


Основные дефекты, неисправно реле обратного тока или регулятор напряжения.
Елементарно, попробуй проверить состояние контактов, а также ослабление натяжения пружин якорей. При необходимости зачистить контакты стеклянной шкуркой 100, затем протянуть между контактами кусочек ткани смоченной в спирте.
 

СЭМ

Пользователь
10 лет на форуме
Регистрация
12.01.2015
Сообщения
4 648
Оценка реакций
8 417
Город
Выборг
Т.е возможно когда датчик остынет и вы включите зажигание стрелка прибора медленно пойдёт двигаться к 0 и паниковать рано . Не думаю что вы грели датчик до красна и наблюдали за этим полдня . Указатели живут долго .
 
Последнее редактирование:

СЭМ

Пользователь
10 лет на форуме
Регистрация
12.01.2015
Сообщения
4 648
Оценка реакций
8 417
Город
Выборг
Из 4х б/у РР -24г по факту один кое как работал а 3 не работали вовсе . Один мой знакомый электрик чисткой и регулировкой оживил все . Сгоревших не было
 
Последнее редактирование:

Олд Джек

Координатор клуба
Команда форума
Регистрация
23.12.2007
Сообщения
13 364
Оценка реакций
5 714
Город
москва

БЕГИмот

Пользователь
Топикстартер
5 лет на форуме
Регистрация
08.02.2017
Сообщения
3 650
Оценка реакций
6 042
Возраст
49
Город
Красноярск, ул. Конституции СССР
Я смутно помню и могу сильно ошибаться но . Разве прибор температуры не показывает максимум и только при включении зажигания потихоньку ползёт к 0 ?
Только при налим родного датчика ТМ2
стоял датчик ТМ104, вроде как аналог родного. При включении зажигания прибор на 0 выходил, но при прогреве двигателя оставался на 0.
Вот и полез разбираться.
Усугубило то, что у меня питание других приборов (уровень и давление) шло с клеммы куда провод с датчика температуры приходит. Увеличил нагрузку на прибор. Вот так умудрился подключить:
 

Вложения