• Очередная встреча членов клуба пройдет, традиционно, в кафе «Экспромт» на Солянке. 7 ноября, начиная с 19.00, жду всех желающих пообщаться.
    Обсуждение на форуме

Детали на опознание

АНДРЕЙ 111

Пользователь
Команда форума
Регистрация
15.03.2011
Сообщения
16 008
Оценка реакций
9 351
Город
Одинцово
Похоже на самоварно печную тему, как заглушка воздуховода в царских палатах.
 
  • Спасибо
Реакции: Nickolay

Олд Джек

Координатор клуба
Команда форума
Регистрация
23.12.2007
Сообщения
13 339
Оценка реакций
5 630
Город
москва
не автомобильное ИМХО
 

EvgenB

Пользователь
10 лет на форуме
Регистрация
17.09.2015
Сообщения
1 235
Оценка реакций
910
Возраст
47
Город
Москва
Чьи втулки?
 

Вложения

pobedovod

Пользователь
Авторитет
Регистрация
23.12.2007
Сообщения
9 271
Оценка реакций
30 364
Город
Болгария
Наши,для нижних рычагов.
 

EvgenB

Пользователь
10 лет на форуме
Регистрация
17.09.2015
Сообщения
1 235
Оценка реакций
910
Возраст
47
Город
Москва

Вложения

pobedovod

Пользователь
Авторитет
Регистрация
23.12.2007
Сообщения
9 271
Оценка реакций
30 364
Город
Болгария
По логике вроде так, правая по стилю ближе к ручкам наружным двоешным, но хотелось бы уточнить.

Наконец я до гаража добрался,слева троешный замок.
 

EvgenB

Пользователь
10 лет на форуме
Регистрация
17.09.2015
Сообщения
1 235
Оценка реакций
910
Возраст
47
Город
Москва
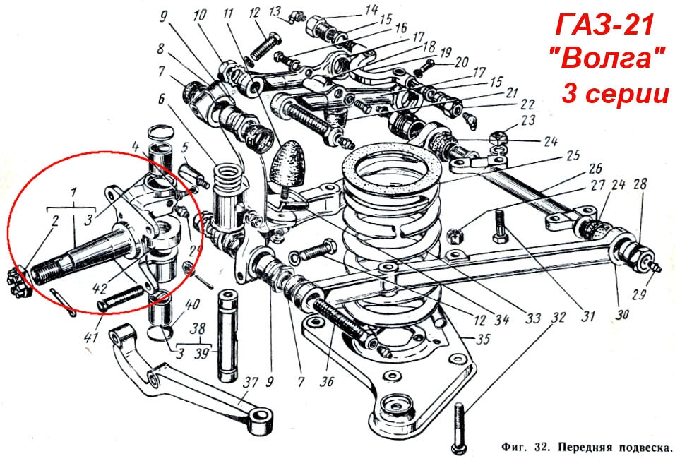
Пружина 17 мм, 310 мм высота, диаметр внутренний 88 мм- смущает толщина 17, а не 16.3 мм плюс с торца что вверх ставится пружина не скошена для плоскости. Может кто знает наша или нет?
 

Вложения

Рустам тм

Пользователь
5 лет на форуме
Регистрация
11.04.2016
Сообщения
4 257
Оценка реакций
9 238
Возраст
44
Город
Туркменистан Ашгабад

EvgenB

Пользователь
10 лет на форуме
Регистрация
17.09.2015
Сообщения
1 235
Оценка реакций
910
Возраст
47
Город
Москва

EvgenB

Пользователь
10 лет на форуме
Регистрация
17.09.2015
Сообщения
1 235
Оценка реакций
910
Возраст
47
Город
Москва
Чертеж тоже говорит , что должна быть...но тогда, чьи тапки?)) у того, у кого купил утверждает, что у деда только Победа была и всё
https://fotki.yandex.ru/next/users/mihail-autostyle/album/413082/view/925665?page=2
 

EvgenB

Пользователь
10 лет на форуме
Регистрация
17.09.2015
Сообщения
1 235
Оценка реакций
910
Возраст
47
Город
Москва
Коллегиально с Володей из Санкт-Петербурга определили, что они М20. Некоторые не торцевали.. Видимо угловое отклонение в допуске 10 мм от оси, будем мерить))
 

ММГ

Пользователь
5 лет на форуме
Регистрация
04.08.2017
Сообщения
517
Оценка реакций
278
Город
Челябинск
Всем доброго времени суток. вопрос, почему то у одного из трамблёров шток привода отличный от других? Второй сверху. Все остальные Победовские, а это что за зверь?
IMG_20171230_105508.jpg
у
 

АНДРЕЙ 111

Пользователь
Команда форума
Регистрация
15.03.2011
Сообщения
16 008
Оценка реакций
9 351
Город
Одинцово
похож от волги г24
 

Damon777

Пользователь
10 лет на форуме
Регистрация
04.04.2006
Сообщения
743
Оценка реакций
725
На шильде Р-20? ГАЗ-51, и похоже весьма неновый, гайки на октан-корректоре родом наверное из середины 50-х.
 

lesnik

Пользователь
5 лет на форуме
Регистрация
14.07.2011
Сообщения
534
Оценка реакций
25
Город
Москва
Чьи копаки?
 

Вложения

Олд Джек

Координатор клуба
Команда форума
Регистрация
23.12.2007
Сообщения
13 339
Оценка реакций
5 630
Город
москва
кооператив Заз ушастый